Подпишитесь на новости Villagio
Мы ценим ваше время
Элитный дом 430 м² с авторской планировкой и SPA-мансардой на участке 11.7 соток в коттеджном поселке «Чистые Ключи».
Представляем к продаже эксклюзивный дом премиум-класса, в котором каждая деталь продумана для комфортной и стильной жизни. Проект сочетает в себе традиционное уютное зонирование и современные архитектурные решения.
Ключевые преимущества:
- Дизайнерская отделка;
- Уникальная планировка: мастер-спальня на втором этаже и просторная лофт-студия с SPA-зоной в мансарде;
- Высокий уровень комфорта: теплый гараж, камин, летняя терраса;
- Престижная локация: всего 28 км от МКАД по Киевскому шоссе.
Планировочные решения:
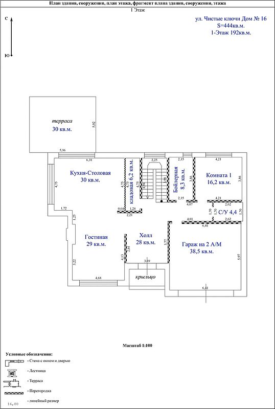
Первый этаж (~ 179.3 м²) — это пространство для дневного времяпрепровождения и приема гостей. Вас встретит просторный холл 27 м². Сердце дома — светлая кухня-столовая 30 м² с выходом на собственную летнюю террасу 30 м², идеальную для обедов на свежем воздухе. Для вечеров создана уютная гостиная 28.5 м² с современным дровяным камином. Также на этаже расположена жилая комната 17.3 м² (кабинет или гостевая), теплый гараж на 1-2 авто (37.5 м²), кладовая и гостевой с/у.
Второй этаж (~ 98.7 м²) — приватная зона для отдыха. Здесь расположена роскошная мастер-спальня с собственной гардеробной 18 м² и просторным санузлом 13 м², где разместилась душевая и отдельно стоящая мраморная ванна. Дополняют ансамбль две изолированные спальни по 29 м² каждая и еще один санузел.
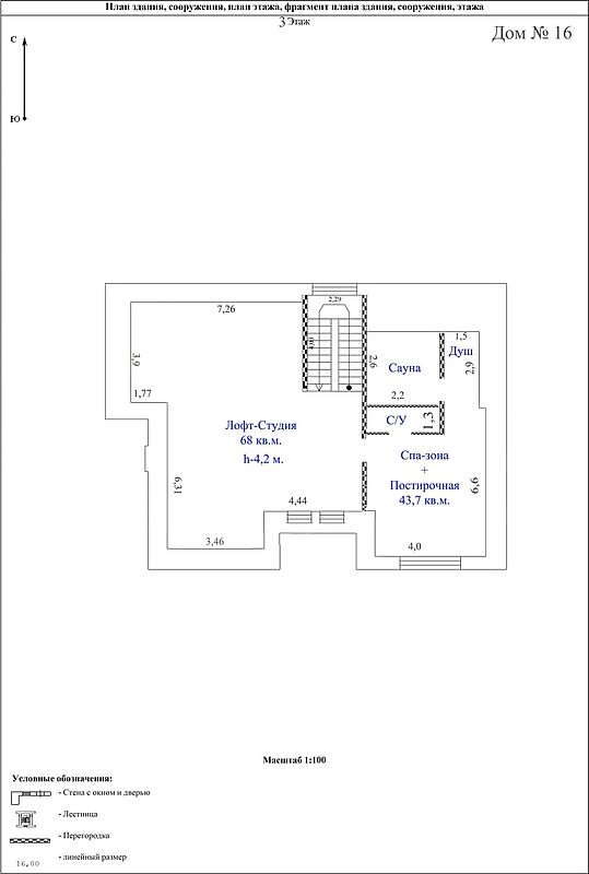
Мансардный этаж (~ 110 м²) — настоящая изюминка дома! Это многофункциональное пространство высотой до 4 метров: просторная лофт-студия 70 м² для творчества, киносеансов или игр, и собственная SPA-зона 40 м² с сауной, душевой, с/у и комнатой отдыха. Здесь можно создать личный wellness-центр.
Ухоженный участок площадью 11.7 соток находится в центральной части поселка. Вся территория благоустроена: выполнено ограждение, установлены автоматические ворота, смонтировано освещение и проложены дорожки. Для ваших автомобилей предусмотрена большая бетонная парковка на 3-4 места.
Коттеджный поселок «Чистые Ключи» расположен в живописной деревне Милюково всего в 28 км от МКАД по скоростному Киевскому шоссе. Идеальный баланс между спокойной загородной жизнью и быстрой доступностью к столице.
Делегируйте подбор или продажу экспертам вашего уровня
искусство загородной жизниПолучите персональную коллекцию от эксперта Villagio




Элитный дом 430 м² с авторской планировкой и SPA-мансардой на участке 11.7 соток в коттеджном поселке «Чистые Ключи».
Представляем к продаже эксклюзивный дом премиум-класса, в котором каждая деталь продумана для комфортной и стильной жизни. Проект сочетает в себе традиционное уютное зонирование и современные архитектурные решения.
Ключевые преимущества:
- Дизайнерская отделка;
- Уникальная планировка: мастер-спальня на втором этаже и просторная лофт-студия с SPA-зоной в мансарде;
- Высокий уровень комфорта: теплый гараж, камин, летняя терраса;
- Престижная локация: всего 28 км от МКАД по Киевскому шоссе.
Планировочные решения:
Первый этаж (~ 179.3 м²) — это пространство для дневного времяпрепровождения и приема гостей. Вас встретит просторный холл 27 м². Сердце дома — светлая кухня-столовая 30 м² с выходом на собственную летнюю террасу 30 м², идеальную для обедов на свежем воздухе. Для вечеров создана уютная гостиная 28.5 м² с современным дровяным камином. Также на этаже расположена жилая комната 17.3 м² (кабинет или гостевая), теплый гараж на 1–2 авто (37.5 м²), кладовая и гостевой с/у.
Второй этаж (~ 98.7 м²) — приватная зона для отдыха. Здесь расположена роскошная мастер-спальня с собственной гардеробной 18 м² и просторным санузлом 13 м², где разместилась душевая и отдельно стоящая мраморная ванна. Дополняют ансамбль две изолированные спальни по 29 м² каждая и еще один санузел.
Мансардный этаж (~ 110 м²) — настоящая изюминка дома! Это многофункциональное пространство высотой до 4 метров: просторная лофт-студия 70 м² для творчества, киносеансов или игр, и собственная SPA-зона 40 м² с сауной, душевой, с/у и комнатой отдыха. Здесь можно создать личный wellness-центр.
Ухоженный участок площадью 11.7 соток находится в центральной части поселка. Вся территория благоустроена: выполнено ограждение, установлены автоматические ворота, смонтировано освещение и проложены дорожки. Для ваших автомобилей предусмотрена большая бетонная парковка на 3–4 места.
Коттеджный поселок «Чистые Ключи» расположен в живописной деревне Милюково всего в 28 км от МКАД по скоростному Киевскому шоссе. Идеальный баланс между спокойной загородной жизнью и быстрой доступностью к столице.